PF Centrifugal Pumps - The TSC Highlight™ centrifugal pump includes HCP, HCP118, HCP178, HCP2500, HCP-S, HCPG and PF type.
PF type pumps are ideally suited for pumping high volumes of heavy slurries that are abrasive, corrosive, and difficult to pump.
The compact overall dimensions make it an excellent choice for high-volume mobile and stationary applications for which a small footprint is critical.
The PF type pumps can deliver flow rates up to 7500 gpm and head pressure up to 540 feet.

1. Localized service through a Global Network
2. Maintenance/Repair Service
3. Unitized Pump Package with Disel or Electric Drive
4. Complete Pump Refurbishment
5. 24x7x365 Technical Support
6. Designs the drawings and BOM based on the technical agreement
7. Full-load operation test for every product
8. Customized Solutions - Tailored integration for new builds or retrofits.
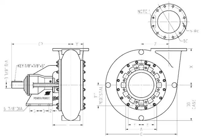
1. The PF Centrifugal Pumps have three sizes available 8x6x18, 12x10x23 and 14x12x22, handles applications requiring up to 500 horse power.
2. Designed for continuous operation with minimal maintenance, this model is engineered to provide maximum seal life with low stuffing box pressure and an extra-heavy shaft design.
3. A unique casing flow divider on the 12×10×23 and 14×12×22 cuts the radial load in half, doubling bearing life. The heavy-duty bearings are permanently lubricated to minimize maintenance.
4. Impeller back vanes aid in the reduction of solids collection between the stuffing box and impeller that also decreases pressure within the casing.
5. Full pipe diameter entrance for maximum efficiency.
6. Long-life, no-adjustment mechanical seal available for near-zero leakage
7. Replaceable shaft sleeves to prevent shaft wear.
8. Material Alternatives: Hard iron and High Chrome.
9. 100% compatible with current market offers
Table 1-1 Pump Model Dimensions (inch)
|
Pump |
Inlet Flange(inches) |
Inlet Flange(inches) |
Dimensions are in inches |
||||||||||||||
|
Size |
DN |
n |
d |
BC |
DN |
n |
d |
BC |
A |
E |
G |
L |
X |
Y |
Z |
CP |
DD |
|
8x6x18 |
8 |
12 |
7/8"-9UNC-2B |
13 |
6 |
12 |
7/8 |
10-5/8 |
16-13/32 |
6-7/8 |
25-1/4 |
16-1/32 |
16 |
5-5/32 |
10-19/32 |
30-13/32 |
12-7/16 |
|
12x10x23 |
12 |
12 |
1"-8UNC-2B |
13 |
10 |
12 |
1 |
14-1/4 |
16-13/32 |
6-7/8 |
33-5/8 |
18-11/16 |
22 |
6-15/16 |
13-1/2 |
31-1/2 |
16-13/16 |
|
14x12x22 |
14 |
12 |
1"-8UNC-2B |
18-3/4 |
12 |
12 |
Note 1 |
17 |
16-13/32 |
6-7/8 |
37-3/4 |
18-3/8 |
19-7/16 |
6-5/8 |
14-9/16 |
31-3/16 |
18-13/16 |
Note 1: The discharge flange drilling for the PF14x12 has 12 holes, 10 holes thru 1 "DIA. & 2 Holes tapped 7/8-9UNC-2B as show, on a 17" DIA.B.C.
Note 2: Dimensions are for reference only. Certified drawings should be requested for construction purposes.

For more product information about PF Centrifugal Pumps, please leave a message below.